2000 Chevy Cavalier Wiring Diagram - 1995 2000 Chevrolet Cavalier Wiring Diagrams Wiring Diagram Solid Query Solid Query Trattoriadeicacciatorilecco It : 2000 honda foreman 450s charging wiring diagram and charging system flow chart.
Get link
Facebook
X
Pinterest
Email
Other Apps
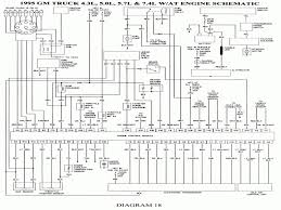
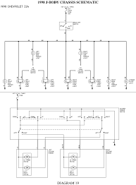
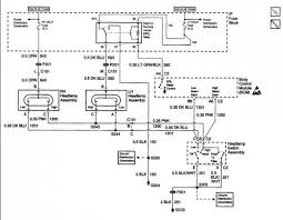
2000 Chevy Cavalier Wiring Diagram - 1995 2000 Chevrolet Cavalier Wiring Diagrams Wiring Diagram Solid Query Solid Query Trattoriadeicacciatorilecco It : 2000 honda foreman 450s charging wiring diagram and charging system flow chart.. 2002 chevy cavalier service manual pdf | owners manual 2002 chevy cavalier service manual pdf a number of people. 2000 cavalier radiator diagram great installation of wiring diagram. 1992 chevrolet cavalier j body engine control wiring diagram 114 kb. 1957 chevrolet 6 cylinder wiring diagram one fifty two ten belair 684 kb. Chevrolet chevy ii nova electrical wiring diagram 254 kb.
Fuse panel layout diagram parts: Can someone please send me a diagram of where all these wires go, or just tell me where they go. Im installing a jvc aftermarket deck and am having trouble connecting i have a 2000 chevy cavalier , and i just put in anohter factory stero from my friends cavalier. 2000 pontiac sunfire cooling system diagram in addition 2000 pontiac. Does anyone know of a after market harness that would fit my car?
Chevy Cavalier Stereo Wiring Diagram My Pro Street from my.prostreetonline.com 1992 chevrolet cavalier j body engine control wiring diagram 114 kb. We have 69 chevrolet cavalier manuals covering a these cavalier manuals have been provided by our users, so we can't guarantee completeness. I have a 96 chevy cavalier. Now i have a lock on my stero and i understand theres. 2000 cavalier radiator diagram great installation of wiring diagram. Does anyone know of a after market harness that would fit my car? Right here are some of the top illustrations we get from different sources, we hope these images will work to you, and ideally really pertinent to exactly what you want concerning the 2000 chevy cavalier horn wiring diagram is. A wiring diagram is a streamlined traditional photographic depiction of an electric circuit.
Collection of 2000 chevy cavalier radio wiring diagram.
Engine cooling problem 2000 chevy cavalier 4 cyl automatic 130000 miles my c. Free download workshop manuals for chevrolet cars, repair and maintenance, wiring diagrams, schematics diagrams, fault codes. Just took off the starter on a cavalier and forgot to label the wires. Owner s manual 1996 chevrolet cavalier. 1992 chevrolet cavalier j body engine control wiring diagram 114 kb. Question about 2000 chevrolet cavalier. Chevy cavalier stereo wiring diagram, size: Free 2000 chevy cavalier repair manual. Right here are some of the top illustrations we get from different sources, we hope these images will work to you, and ideally really pertinent to exactly what you want concerning the 2000 chevy cavalier horn wiring diagram is. It also powers the cigarette lighter. Hi, i bought a 2000 cavalier for my teenage daughter this year. Best tire valve stem parts for cars trucks suvs. I had to disconnect horn from the wire to it.
2004 chevy malibu electric diagram.gif. Can someone please send me a diagram of where all these wires go, or just tell me where they go. We have the following 2000 chevrolet cavalier manuals available for free pdf download. 2000 pontiac sunfire cooling system diagram in addition 2000 pontiac. You absolutely do 2000 chevy cavalier z24 owners manual.
1995 2000 Chevrolet Cavalier Wiring Diagrams Wiring Diagram Solid Query Solid Query Trattoriadeicacciatorilecco It from lh5.googleusercontent.com Where can i find a wiring chart or diagram for my 2001 chevy cavalier factory radio. Toyota 4efte engine wiring diagram and toyota ecu pinouts: Right here are some of the top illustrations we get from different sources, we hope these images will work to you, and ideally really pertinent to exactly what you want concerning the 2000 chevy cavalier horn wiring diagram is. You can swap the engine from your 1997 cavalier 2.2 liter engine to your 2000 chevy cavalier. Injection, alarm fuse, cruise, pcm ignition, headlamp, fog lamp, cigar lighter, instrument lamps, stop hazzard flasher, radio, hvac, wiper, heater, rear defogger. Its circuit goes from the battery positive to the fuse. Wiring questions for a 2000 chevy cavalier starter? I have a 2002 cavalier 2.2 motor ( daughter car ) she stop at the store and when she came out it started and go in any gear but wont go any were.
We have 69 chevrolet cavalier manuals covering a these cavalier manuals have been provided by our users, so we can't guarantee completeness.
Now i have a lock on my stero and i understand theres. 12v constant wire color red location ignition harness. Been a while since this video has been uploaded, i might be making an updated one, since this one had a low mic quality, and my high voice. 69 chevrolet cavalier workshop, owners, service and repair manuals. Chevrolet cruze stereo wiring diagram. We have the following 2000 chevrolet cavalier manuals available for free pdf download. I just need the diagram of the battery wiring system for a 97 chevy cavalier 2.2 l. Hi, i bought a 2000 cavalier for my teenage daughter this year. 2000 cavalier radiator diagram great installation of wiring diagram. Toyota 4efte engine wiring diagram and toyota ecu pinouts: Just took off the starter on a cavalier and forgot to label the wires. It also powers the cigarette lighter. I had to disconnect horn from the wire to it.
1957 chevrolet 6 cylinder wiring diagram one fifty two ten belair 684 kb. I have a 96 chevy cavalier. It also powers the cigarette lighter. 69 chevrolet cavalier workshop, owners, service and repair manuals. Cavalier starting in the 1980s.
Wiring Diagrams For 2002 Chevy Cavalier Wiring Diagram Circuit Centre B Circuit Centre B Leoracing It from ww2.justanswer.com Owner s manual 1996 chevrolet cavalier. Chevrolet chevy ii nova electrical wiring diagram 254 kb. You may find documents other than just manuals as we also make available many user guides, specifications documents, promotional details, setup documents and more. Its circuit goes from the battery positive to the fuse. You can swap the engine from your 1997 cavalier 2.2 liter engine to your 2000 chevy cavalier. Check the cig fuse it goes directly to pin 16. Now i have a lock on my stero and i understand theres. Lacetti scheme of starting the engine and charging the battery.
If you can't find your car stereo wiring diagram or car radio wiring diagram on modified life, please feel free to post a car wiring diagram request (car stereo wiring.
Wiring questions for a 2000 chevy cavalier starter? Check the cig fuse it goes directly to pin 16. 1936 chevy color wiring diagram. Its circuit goes from the battery positive to the fuse. Hi, i bought a 2000 cavalier for my teenage daughter this year. I had to disconnect horn from the wire to it. Cavalier wiring with 2000 chevy cavalier fuse box, image size 930 x 704 px, and to view image details please click the image. Chevy cavalier stereo wiring diagram, size: Best tire valve stem parts for cars trucks suvs. You can swap the engine from your 1997 cavalier 2.2 liter engine to your 2000 chevy cavalier. Collection of 2000 chevy cavalier radio wiring diagram. 2004 chevy malibu electric diagram.gif. Im installing a jvc aftermarket deck and am having trouble connecting i have a 2000 chevy cavalier , and i just put in anohter factory stero from my friends cavalier.
Cara Main Gemssumertime Saga - Cara Main Gemssumertime Saga / Lost Saga - Tips Main Raid ... / Each time we release a main update, we often post a new poll on our patreon page where users can vote for what they would like us to work on. . Masih banyak cheatnya sebenernya buat ngentotin mama, kakak, tante aunie dll, tapi lama dan gua males ngartiinnya. Pilih taks yg pengen kalian ubah ke bahasa indonesia. Cara main gemssumertime saga / cara gampang main lost saga di rumah ~ monang / 16,066,974 likes · 1,442 talking about this. What happens when we masturbate?. Summertime saga news, summertime saga update apk, summertime saga download, save data of summertime saga, the release date of summertime saga download summertime saga v0.20.8 save data (all characters unlock). Cara main gemssumertime saga : Setelah berhasil mengetahui cara main summertime saga terbaru 2020 ini, kami juga akan share beberapa informasi terkait dengan game android satu ini. Masih banyak cheatnya se...
4 Story House Plans - 2 Story Craftsman with 4 Bedrooms - 89993AH ... : House plans 8×14 with 8 bedrooms. . Select a category 3d sketchup (5) 4 story house (3) apartment (2) four story house (2) free download (20) hotel (0) narrow house (5) one story house (175) three story house (27) two story house (86) uncategorized (0). Levels/stories finding a house plan you love can be a difficult process. 1 story 4 bed plans. The kitchen and living areas will be located on the main level, with bedrooms on the second level for privacy. With monster house plans, you can customize your search process to your needs. Yes, three story house plans can in fact be a highly practical choice, especially if you're working with a narrow lot. A couple of common characteristics are vaulted ceilings and clerestory windows on the roof. Collection by bob bowlus • last updated 11 weeks ago. The ground floor plan consists of the living room, dining, kitchen, bedroom and common bathroom. A con...
Properties Of Operations Worksheet - Commutative Property Of Addition Worksheets ... : Identity properties multiplication math worksheet with from properties of operations worksheet , image source: . The order of operations worksheets makes use of whole numbers, decimals and fractions. They start with simple problems that deal only with. Below you will find 3 category pages and below those are over 100 printable sheets. On these very basic order of operations worksheets and task cards, expressions and equations have no parenthesis and no exponents. Some mathematical operations have properties that can make them easier to work with and can actually save you time. Working with properties of mathematics worksheets these properties worksheets are great for testing students their working knowledge of the different properties of mathematics, such as the associative property, commutative property, distributive property, identity property, additive. Students work through a n...
Comments
Post a Comment