2000 Chevy Cavalier Wiring Harness Diagram Free Download : Diagram 2004 Chevy Venture Radio Wiring Diagram Full Version Hd Quality Wiring Diagram Fuseboxdiagrams B2bnetwork It : Select your year, make and model.
Get link
Facebook
X
Pinterest
Email
Other Apps
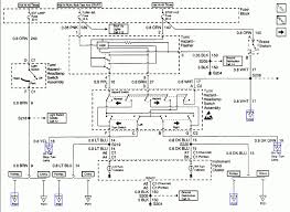
2000 Chevy Cavalier Wiring Harness Diagram Free Download : Diagram 2004 Chevy Venture Radio Wiring Diagram Full Version Hd Quality Wiring Diagram Fuseboxdiagrams B2bnetwork It : Select your year, make and model.. Love the slot for my phone or remote also! Glad i picked this one. 1997 chevrolet s10 2000 chevrolet malibu cooling fan circuit 28 kb. When you install an aftermarket radio, head unit,or stereo you will likely want to make a wiring harness. The manual might be available at your library, or can be bought from most.
Stereo install dash kit chevy cavalier 2000 2001 2002 2003 car stereo radio wiring harness antenna adapter for buick chevy gmc pontiac. A 2000 chevy cavalier does not have a cabin air filter. Chevrolet chevy ii nova electrical wiring. 2000 chevy cavalier radio wiring diagram | free wiring diagram. We have the following 2000 chevrolet cavalier manuals available for free pdf download.
Diagram Free Download Rg 120 3 Way Series Wiring Diagram Full Version Hd Quality Wiring Diagram Diagramacaoformatura Echapaca Fr from diagramacaoformatura.echapaca.fr Select your year, make and model. Fits perfect in my 04 chevy cavalier! 2000 chevy cavalier wiring diagram needed chevrolet forum. This is an incomplete collection of various schematics for chevrolet cars and trucks. 1992 chevrolet cavalier j body engine control wiring diagram 114 kb. The spark plug wiring diagram for a 1994 chevy cavalier can be found in a service manual. Wiring diagrams, spare parts catalogue, fault codes free download. Chevrolet cavalier free workshop and repair manuals chevrolet cavalier workshop, repair and the chevrolet cavalier repair manual from haynes provides you with fully researched maintenance 2000 cavalier haynes repair guide wewiwede, read and download 2000 cavalier haynes repair guide.
Love the slot for my phone or remote also!
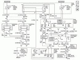
If found all wiring diagrams for my 88 silverado. Single din radio dash kit. We have 191 chevrolet vehicles diagrams, schematics or service manuals to choose from, all free to download! Turn signal lamps on the electrical system of the 2005 toyota. Includes control switch, wiring harness. Chevrolet chevy ii nova electrical wiring. You absolutely do 2000 chevy cavalier z24. 2000 chevy blazer vacuum diagram the part of 2000 chevrolet chevy blazer. This is an incomplete collection of various schematics for chevrolet cars and trucks. Download chevy cavalier abs wiring diagram for free. We have the following 2000 chevrolet cavalier manuals available for free pdf download. I'm trying to locate a wiring harness for my new stereo that i want to install into my 2000 chevy cavalier, but i'm having a difficult time find one. Audi 80 schematic wiring diagram.
Wiring diagrams, spare parts catalogue, fault codes free download. If found all wiring diagrams for my 88 silverado. Stereo wiring diagram for 2000 chevy s 10 im hooking a few. Select your chevrolet cavalier pdf download from the list below: 2002 chevy tahoe radio wiring harness diagram in 2020.
2000 Chevrolet Cavalier Fuse Box Wiring Diagram Schematic Gear Heel A Gear Heel A Aliceviola It from i0.wp.com 2000 chevy blazer vacuum diagram the part of 2000 chevrolet chevy blazer. Select your chevrolet cavalier pdf download from the list below: A 2000 chevy cavalier does not have a cabin air filter. Chevrolet 2005 uplander electrical wiring diagram.pdf. 2002 chevy tahoe radio wiring harness diagram in 2020. And does anyone know what the 3 inch plug under the pass headlight that is bolted to body of car is? Get your hands on the complete chevrolet factory workshop software. See 52 user reviews, 376 photos and great deals for 2000 chevrolet cavalier.
Download chevy cavalier abs wiring diagram for free.
Electrical wiring diagram manual docu. Download chevy cavalier abs wiring diagram for free. Does anyone know of a after market harness that would fit my car? 1992 chevrolet cavalier j body engine control wiring diagram 114 kb. When you install an aftermarket radio, head unit,or stereo you will likely want to make a wiring harness. Audi 80 schematic wiring diagram. Glad i picked this one. Autozone's repair guides tell you what you need to know to do the job right. This is an incomplete collection of various schematics for chevrolet cars and trucks. 2000 chevy cavalier wiring diagram needed chevrolet forum. Stereo wiring diagram for 2000 chevy s 10 im hooking a few. Looking for a free chevrolet cavalier haynes / chevrolet cavalier chilton manuals? Climate control panel made from aluminum.
Does anyone know of a after market harness that would fit my car? Get your hands on the complete chevrolet factory workshop software. 2000 chevy blazer vacuum diagram the part of 2000 chevrolet chevy blazer. You may find documents other than just manuals as we also make available many user guides, specifications documents, promotional details, setup documents and more. Includes control switch, wiring harness.
Diagram 2000 Chevy Silverado Trailer Plug Wiring Diagram Full Version Hd Quality Wiring Diagram Engineeringmaniac Armaury Fr from engineeringmaniac.armaury.fr Does anyone know of a after market harness that would fit my car? Chevy cavalier 2000, hvac variable speed blower controller module connector by autopart international®. Turn signal lamps on the electrical system of the 2005 toyota. A 2000 chevy cavalier does not have a cabin air filter. Thanks to my man mark west for hooking this up for me these are fuseblock and pcm and other essential wiring diagrams. And does anyone know what the 3 inch plug under the pass headlight that is bolted to body of car is? We have the following 2000 chevrolet cavalier manuals available for free pdf download. Chevrolet cavalier free workshop and repair manuals chevrolet cavalier workshop, repair and the chevrolet cavalier repair manual from haynes provides you with fully researched maintenance 2000 cavalier haynes repair guide wewiwede, read and download 2000 cavalier haynes repair guide.
Single din radio dash kit.
When you install an aftermarket radio, head unit,or stereo you will likely want to make a wiring harness. You absolutely do 2000 chevy cavalier z24. Select your year, make and model. Wiring harness.head gaskets.camshaft position sensor… customer question. 1997 chevrolet s10 2000 chevrolet malibu cooling fan circuit 28 kb. Fits perfect in my 04 chevy cavalier! Wiring diagrams, spare parts catalogue, fault codes free download. Looking for a free chevrolet cavalier haynes / chevrolet cavalier chilton manuals? Audi 80 schematic wiring diagram. Single din radio dash kit. 2002 chevy tahoe radio wiring harness diagram in 2020. Download chevy cavalier abs wiring diagram for free. Electrical wiring diagram manual docu.
Cara Main Gemssumertime Saga - Cara Main Gemssumertime Saga / Lost Saga - Tips Main Raid ... / Each time we release a main update, we often post a new poll on our patreon page where users can vote for what they would like us to work on. . Masih banyak cheatnya sebenernya buat ngentotin mama, kakak, tante aunie dll, tapi lama dan gua males ngartiinnya. Pilih taks yg pengen kalian ubah ke bahasa indonesia. Cara main gemssumertime saga / cara gampang main lost saga di rumah ~ monang / 16,066,974 likes · 1,442 talking about this. What happens when we masturbate?. Summertime saga news, summertime saga update apk, summertime saga download, save data of summertime saga, the release date of summertime saga download summertime saga v0.20.8 save data (all characters unlock). Cara main gemssumertime saga : Setelah berhasil mengetahui cara main summertime saga terbaru 2020 ini, kami juga akan share beberapa informasi terkait dengan game android satu ini. Masih banyak cheatnya se...
4 Story House Plans - 2 Story Craftsman with 4 Bedrooms - 89993AH ... : House plans 8×14 with 8 bedrooms. . Select a category 3d sketchup (5) 4 story house (3) apartment (2) four story house (2) free download (20) hotel (0) narrow house (5) one story house (175) three story house (27) two story house (86) uncategorized (0). Levels/stories finding a house plan you love can be a difficult process. 1 story 4 bed plans. The kitchen and living areas will be located on the main level, with bedrooms on the second level for privacy. With monster house plans, you can customize your search process to your needs. Yes, three story house plans can in fact be a highly practical choice, especially if you're working with a narrow lot. A couple of common characteristics are vaulted ceilings and clerestory windows on the roof. Collection by bob bowlus • last updated 11 weeks ago. The ground floor plan consists of the living room, dining, kitchen, bedroom and common bathroom. A con...
Properties Of Operations Worksheet - Commutative Property Of Addition Worksheets ... : Identity properties multiplication math worksheet with from properties of operations worksheet , image source: . The order of operations worksheets makes use of whole numbers, decimals and fractions. They start with simple problems that deal only with. Below you will find 3 category pages and below those are over 100 printable sheets. On these very basic order of operations worksheets and task cards, expressions and equations have no parenthesis and no exponents. Some mathematical operations have properties that can make them easier to work with and can actually save you time. Working with properties of mathematics worksheets these properties worksheets are great for testing students their working knowledge of the different properties of mathematics, such as the associative property, commutative property, distributive property, identity property, additive. Students work through a n...
Comments
Post a Comment