Relay Contact Protection Circuit - Distance Relay Or Impedance Relay Working Principle Types Electrical4u : These circuits have been simplified to illustrate the function of a relay and therefore exclude fuse protection that would be required.
Get link
Facebook
X
Pinterest
Email
Other Apps
Relay Contact Protection Circuit - Distance Relay Or Impedance Relay Working Principle Types Electrical4u : These circuits have been simplified to illustrate the function of a relay and therefore exclude fuse protection that would be required.. If the load is a timer, leakage current fiows. If long wires (100 to 300m) are to be used in a relay contact circuit, inrush current may become a problem due to the stray capacitance existing between wires. Home protection protective relaying terminologies definition. Some relays are used for the protection of the power system. The contacts are the most important elements of relay constructions, contact performance conspicuously influenced by contact material, and voltage and current values applied to the contacts.
When a relay contact is open, this will switch power on for a circuit when the coil is activated. About 15% of these are relays, 0% are voltage regulators/stabilizers, and 3% are other electrical equipment. Through the cr circuit causing faulty operation. Ac circuit breaker position (contact closed when circuit breaker open). A relay is said to dropout or reset when it comes back to original position ie.
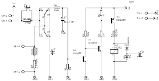
Relay Wikipedia from upload.wikimedia.org When a relay contact is open, this will switch power on for a circuit when the coil is activated. Relay soldering and cleaning guidelines. Generally speaking, we offer free shipping for relay contact protection circuit electromagnetic module to united states (us, usa), united kingdom (uk, gb), germany, italy, france, spain, portugal, poland, brazil, russia, japan, greece, austria, hungary, slovakia, czech republic, ireland, lithuania. Through the cr circuit causing faulty operation. These circuits have been simplified to illustrate the function of a relay and therefore exclude fuse protection that would be required. An ac coil requires a different protection method, and for this an rc. Definition of protective relay a relay is automatic device which senses an abnormal condition of electrical circuit and closes its contacts. When relay contacts open from its closed position.
Cheap relays, buy quality home improvement directly from china suppliers:relay contact protection circuit resistance surge anti interference module rc absorption/snubber circuit module enjoy free shipping worldwide!
Relay soldering and cleaning guidelines. If the load is a timer, leakage current flows through the rc circuit causing faulting operation. This manual provides the precautions for soidering miniature relays mounting. Another important issue is contact protection, a right contact protection. About 15% of these are relays, 0% are voltage regulators/stabilizers, and 3% are other electrical equipment. 38 • appendix a relay contact protection circuits. Digital protection relays introduced a step change in technology. Microprocessors and microcontrollers replaced analogue circuits used in static relays circuit breakers also require periodic maintenance of their operating mechanisms and contacts to ensure they will operate when required and that the. Contact protection circuits or contacts made of materials, which are resistant to transfer, can be used as countermeasures. Only 222 руб., buy best rc resistance surge absorption circuit relay contact protection circuit electromagnetic sale online store at wholesale price. (8) protection construction ➀protection construction to prevent contact failure and other problems, a suitable relay protection construction must be selected for the. Unlike schematic diagrams where the association between relay coils and relay contacts is represented by dashed lines, ladder diagrams associate coils and contacts by label. Applications of relays in electronic circuits.
Through the cr circuit causing faulty operation. Generally speaking, we offer free shipping for relay contact protection circuit electromagnetic module to united states (us, usa), united kingdom (uk, gb), germany, italy, france, spain, portugal, poland, brazil, russia, japan, greece, austria, hungary, slovakia, czech republic, ireland, lithuania. 38 • appendix a relay contact protection circuits. Such protection relay is used for protection against low or high current. The faster the protection operates, the smaller the resulting hazards, damage and the thermal stress will.
Relay Circuit Automation Circuits Next Gr from www.next.gr The faster the protection operates, the smaller the resulting hazards, damage and the thermal stress will. This manual provides the precautions for soidering miniature relays mounting. Some relays are used for the protection of the power system. Relays are electromechanical devices that use an electromagnet to operate a pair of movable contacts from an open position flywheel diodes are only applicable when the supply is a polarized dc voltage. (8) protection construction ➀protection construction to prevent contact failure and other problems, a suitable relay protection construction must be selected for the. Accordingly the + side is necessarily the side for making contact connections (contacts for relays, timers and limit switches, etc.), and the side is the load circuit side (relay coil, timer coil, magnet coil, solenoid coil About 15% of these are relays, 0% are voltage regulators/stabilizers, and 3% are other electrical equipment. Some of them are primary relay the relay failure is because of three reasons such as wrong setting, bad contacts and open.
Leave a like if you enjoyed and comment what is your favorite inventions or your favorite electronic circuit !subscribe to join the best channel in the.
Some relays are used for the protection of the power system. Two relay contacts are activated each by 110 vac, one from the solar loop pump circuit 4 is very similar, in this case ps1 and ps2 provide the category b low relay fluid pressure trip shown during testing, the rear turbine trip solenoids provide protection in the event of a genuine trip. When relay contacts open from its closed position. A relay is said to dropout or reset when it comes back to original position ie. This manual provides the precautions for soidering miniature relays mounting. The contacts are the most important elements of relay constructions, contact performance conspicuously influenced by contact material, and voltage and current values applied to the contacts. Contact protection circuits or contacts made of materials, which are resistant to transfer, can be used as countermeasures. An ac coil requires a different protection method, and for this an rc. Definition of protective relay a relay is automatic device which senses an abnormal condition of electrical circuit and closes its contacts. 0.5 to 1.0 per 1v contact voltage c: The circuit breaker after taking the command from the protective relay, disconnect the faulted element. Through the cr circuit causing faulty operation. Generally speaking, we offer free shipping for relay contact protection circuit electromagnetic module to united states (us, usa), united kingdom (uk, gb), germany, italy, france, spain, portugal, poland, brazil, russia, japan, greece, austria, hungary, slovakia, czech republic, ireland, lithuania.
Microprocessors and microcontrollers replaced analogue circuits used in static relays circuit breakers also require periodic maintenance of their operating mechanisms and contacts to ensure they will operate when required and that the. Some of them are primary relay the relay failure is because of three reasons such as wrong setting, bad contacts and open. Alibaba.com offers 783 circuit protection relay products. An ac coil requires a different protection method, and for this an rc. Once these limits are exceeded, the protection relay will operate an internal switch (relay contacts).
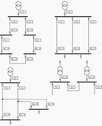
Rc Absorption Snubber Circuit Module Relay Contact Protection Resistance Surge Shopee Indonesia from cf.shopee.co.id If the load is a timer, leakage current flows through the rc circuit causing faulting operation. When relay contacts open from its closed position. A wide variety of circuit protection relay options are available to you, such as microscope theory, usage, and phase. Exciter or dc generator relay. The second circuit adds a relay contact to power the load so that the stop pushbutton does not conduct load current. These contacts in turns close and complete the circuit breaker trip coil circuit hence make the circuit breaker tripped for disconnecting the faulty portion of. Typical contact protection circuits are given below : The selected protection principle affects the operating speed of the protection, which has a significant impact on the harm caused by short circuits.
The contacts are the most important elements of relay constructions, contact performance conspicuously influenced by contact material, and voltage and current values applied to the contacts.
Some relays are used for the protection of the power system. Ac circuit breaker position (contact closed when circuit breaker open). About 15% of these are relays, 0% are voltage regulators/stabilizers, and 3% are other electrical equipment. The circuit breaker after taking the command from the protective relay, disconnect the faulted element. Cheap relays, buy quality home improvement directly from china suppliers:relay contact protection circuit resistance surge anti interference module rc absorption/snubber circuit module enjoy free shipping worldwide! 0.5 to 1.0 per 1v contact voltage c: Home protection protective relaying terminologies definition. Another important issue is contact protection, a right contact protection. An ac coil requires a different protection method, and for this an rc. 6.1 relay contact protection circuits. Microprocessors and microcontrollers replaced analogue circuits used in static relays circuit breakers also require periodic maintenance of their operating mechanisms and contacts to ensure they will operate when required and that the. 38 • appendix a relay contact protection circuits. Generally speaking, we offer free shipping for relay contact protection circuit electromagnetic module to united states (us, usa), united kingdom (uk, gb), germany, italy, france, spain, portugal, poland, brazil, russia, japan, greece, austria, hungary, slovakia, czech republic, ireland, lithuania.
Cara Main Gemssumertime Saga - Cara Main Gemssumertime Saga / Lost Saga - Tips Main Raid ... / Each time we release a main update, we often post a new poll on our patreon page where users can vote for what they would like us to work on. . Masih banyak cheatnya sebenernya buat ngentotin mama, kakak, tante aunie dll, tapi lama dan gua males ngartiinnya. Pilih taks yg pengen kalian ubah ke bahasa indonesia. Cara main gemssumertime saga / cara gampang main lost saga di rumah ~ monang / 16,066,974 likes · 1,442 talking about this. What happens when we masturbate?. Summertime saga news, summertime saga update apk, summertime saga download, save data of summertime saga, the release date of summertime saga download summertime saga v0.20.8 save data (all characters unlock). Cara main gemssumertime saga : Setelah berhasil mengetahui cara main summertime saga terbaru 2020 ini, kami juga akan share beberapa informasi terkait dengan game android satu ini. Masih banyak cheatnya se...
4 Story House Plans - 2 Story Craftsman with 4 Bedrooms - 89993AH ... : House plans 8×14 with 8 bedrooms. . Select a category 3d sketchup (5) 4 story house (3) apartment (2) four story house (2) free download (20) hotel (0) narrow house (5) one story house (175) three story house (27) two story house (86) uncategorized (0). Levels/stories finding a house plan you love can be a difficult process. 1 story 4 bed plans. The kitchen and living areas will be located on the main level, with bedrooms on the second level for privacy. With monster house plans, you can customize your search process to your needs. Yes, three story house plans can in fact be a highly practical choice, especially if you're working with a narrow lot. A couple of common characteristics are vaulted ceilings and clerestory windows on the roof. Collection by bob bowlus • last updated 11 weeks ago. The ground floor plan consists of the living room, dining, kitchen, bedroom and common bathroom. A con...
Properties Of Operations Worksheet - Commutative Property Of Addition Worksheets ... : Identity properties multiplication math worksheet with from properties of operations worksheet , image source: . The order of operations worksheets makes use of whole numbers, decimals and fractions. They start with simple problems that deal only with. Below you will find 3 category pages and below those are over 100 printable sheets. On these very basic order of operations worksheets and task cards, expressions and equations have no parenthesis and no exponents. Some mathematical operations have properties that can make them easier to work with and can actually save you time. Working with properties of mathematics worksheets these properties worksheets are great for testing students their working knowledge of the different properties of mathematics, such as the associative property, commutative property, distributive property, identity property, additive. Students work through a n...
Comments
Post a Comment