1985 Buick Riviera Wiring Diagram - 1979 Buick Lesabre Wiring Diagram Wiring Diagram For Chicago Electric Welder Clubcar Xp17 Khalifah Ustmaniah Pistadelsole It : Remove the wire connector remove the air cleaner cover and detach the from the bulb by lifting the.
Get link
Facebook
X
Pinterest
Email
Other Apps
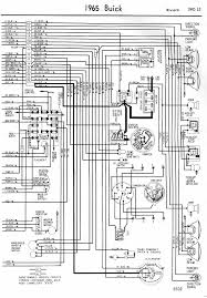
1985 Buick Riviera Wiring Diagram - 1979 Buick Lesabre Wiring Diagram Wiring Diagram For Chicago Electric Welder Clubcar Xp17 Khalifah Ustmaniah Pistadelsole It : Remove the wire connector remove the air cleaner cover and detach the from the bulb by lifting the.. 1964 riviera left half 1965 riviera right half. As buick was gearing up for the next generation of the buick riviera, few changes or modifications were made for 1985. Remove the wire connector remove the air cleaner cover and detach the from the bulb by lifting the. Find all information regarding buick stereo wiring diagrams in this section. The buick riviera is a personal luxury car that was marketed by buick from 1963 to 1999, with the exception of the 1994 model year.
Rare 1985 lesabre collectors edition key blanks manual booklet guide portfolio (fits. The wiring diagram for a 1992 buick skylark can be found in either of its manuals. Buick riviera workshop, repair and owners manuals for all years and models. I turned off the car and the heater still blows air threw the vents even without the keys in the ignition. Check out our popular buick riviera manuals below:
1985 Buick Riviera Wiring Diagram Wiring Diagram Server Arch Invite Arch Invite Ristoranteitredenari It from static-assets.imageservice.cloud You may find documents other than just manuals as we also make available many user guides, specifications documents, promotional details, setup documents and more. As general motors' first entry into the personal luxury car market. So i don't have electric technician. Have watch and find the one that suit with your own buick. Check out buickkid 1985 buick riviera in vancouver,wa for ride specification, modification info and photos and follow buickkid's 1985 buick riviera for updates at cardomain. Offered at first introduced in 1963, the buick riviera stunned the world with its drop dead gorgeous styling, powerful engines, and abundance of luxury. Find all information regarding buick stereo wiring diagrams in this section. 1985 buick riviera sold in june 2012.
Having a buick radio wiring diagram makes installing a car radio easy.
Your source for buick wire information, wiring information, technical help for your new or used vehicle, buick, technical wiring diagrams, wire information these buick wiring information / aftermarket autostart/alarm technical wiring diagrams are very useful, if not required, for the installation of. Please select the exact year of your buick riviera to view your vehicle sepecific diagram. Complete coverage for your vehicle. Free pdf download for thousands of cars and trucks. As general motors' first entry into the personal luxury car market. Buick grand national electrical system schematics. 1986 buick riviera wiring diagrams schematics manual sheets set. So i don't have electric technician. Wiring diagram power seat 1984 buick riviera how do i remove the driver's electric seat on my 1984 buick riviera. I turned off the car and the heater still blows air threw the vents even without the keys in the ignition. Rare 1985 lesabre collectors edition key blanks manual booklet guide portfolio (fits. Trace out all the components of the fan system and look for anything that would keep the fan going when it should be switched off. Search our online repair manual catalog and find the lowest priced discount auto parts on the this part is also sometimes called buick riviera service manual.
The wiring diagram for a 1992 buick skylark can be found in either of its manuals. Please select the exact year of your buick riviera to view your vehicle sepecific diagram. We stock repair manual parts for most buick models including lesabre, park. I turned off the car and the heater still blows air threw the vents even without the keys in the ignition. Find solutions to your buick riviera wiring diagram question.
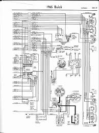
1985 Buick Lesabre Fuse Box And Wiring Diagram Tell Runner Tell Runner Ristorantebotticella It from stickerdeals.net You can find the heater wiring diagram for a 1989 buick lesabre in the vehicle's owner's manual. I turned off the car and the heater still blows air threw the vents even without the keys in the ignition. Having a buick radio wiring diagram makes installing a car radio easy. Have watch and find the one that suit with your own buick. Buick riviera workshop, repair and owners manuals for all years and models. Buick riviera replacement repair manual information. The buick riviera is one of the longest running models from the buick division of general motors which has been under production from 1963 to 1999. Please select the exact year of your buick riviera to view your vehicle sepecific diagram.
I turned off the car and the heater still blows air threw the vents even without the keys in the ignition.
Check out our popular buick riviera manuals below: As general motors' first entry into the personal luxury car market. As buick was gearing up for the next generation of the buick riviera, few changes or modifications were made for 1985. The car also features a landau top, wire wheel covers, and a power antenna. Remove the wire connector remove the air cleaner cover and detach the from the bulb by lifting the. Find solutions to your buick riviera wiring diagram question. The buick riviera is one of the longest running models from the buick division of general motors which has been under production from 1963 to 1999. 14 buick car wiring diagrams. We have the following 1995 buick riviera manuals available for free pdf download. We stock repair manual parts for most buick models including lesabre, park. Trace out all the components of the fan system and look for anything that would keep the fan going when it should be switched off. You can find the heater wiring diagram for a 1989 buick lesabre in the vehicle's owner's manual. Find all information regarding buick stereo wiring diagrams in this section.
As buick was gearing up for the next generation of the buick riviera, few changes or modifications were made for 1985. This circuit and wiring diagram: Page 207 return the equipment to the trunk in the order shown on compact spare tire the diagram. 1996 buick riviera olds aurora shop service repair manual book engine wiring oem (fits: The hagerty classic car valuation tool® is designed to help you learn how to value your 1985 buick riviera and assess the current state of the classic car market.
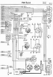
1985 Buick Riviera Wiring Diagram Wiring Diagram Server Arch Invite Arch Invite Ristoranteitredenari It from getwiringdiagram.com Can you give me the. 14 buick car wiring diagrams. Remove the wire connector remove the air cleaner cover and detach the from the bulb by lifting the. Have watch and find the one that suit with your own buick. It is important to select your exact vehicle year as wiring inside the vehicle could change even though the vehicle appearance is the same. The car also features a landau top, wire wheel covers, and a power antenna. Find the buick stereo wiring diagram you need to install any chance you can help me find a 95 buick riviera wiring diagram or installation guide? Find solutions to your buick riviera wiring diagram question.
We have the following 1995 buick riviera manuals available for free pdf download.
I turned off the car and the heater still blows air threw the vents even without the keys in the ignition. Buick grand national electrical system schematics. Have watch and find the one that suit with your own buick. View and download buick riviera 1995 manual online. Buick buick regal buick regal 1957 1960 misc documents wiring diagrams. We stock repair manual parts for most buick models including lesabre, park. 14 buick car wiring diagrams. Rare 1985 lesabre collectors edition key blanks manual booklet guide portfolio (fits. Are you trying to find 1985 buick riviera values? I have 1985 suzuki fx and i'm completely restoring my car like reborn. Complete coverage for your vehicle. Find all information regarding buick stereo wiring diagrams in this section. The wiring diagram for a 1992 buick skylark can be found in either of its manuals.
Cara Main Gemssumertime Saga - Cara Main Gemssumertime Saga / Lost Saga - Tips Main Raid ... / Each time we release a main update, we often post a new poll on our patreon page where users can vote for what they would like us to work on. . Masih banyak cheatnya sebenernya buat ngentotin mama, kakak, tante aunie dll, tapi lama dan gua males ngartiinnya. Pilih taks yg pengen kalian ubah ke bahasa indonesia. Cara main gemssumertime saga / cara gampang main lost saga di rumah ~ monang / 16,066,974 likes · 1,442 talking about this. What happens when we masturbate?. Summertime saga news, summertime saga update apk, summertime saga download, save data of summertime saga, the release date of summertime saga download summertime saga v0.20.8 save data (all characters unlock). Cara main gemssumertime saga : Setelah berhasil mengetahui cara main summertime saga terbaru 2020 ini, kami juga akan share beberapa informasi terkait dengan game android satu ini. Masih banyak cheatnya se...
4 Story House Plans - 2 Story Craftsman with 4 Bedrooms - 89993AH ... : House plans 8×14 with 8 bedrooms. . Select a category 3d sketchup (5) 4 story house (3) apartment (2) four story house (2) free download (20) hotel (0) narrow house (5) one story house (175) three story house (27) two story house (86) uncategorized (0). Levels/stories finding a house plan you love can be a difficult process. 1 story 4 bed plans. The kitchen and living areas will be located on the main level, with bedrooms on the second level for privacy. With monster house plans, you can customize your search process to your needs. Yes, three story house plans can in fact be a highly practical choice, especially if you're working with a narrow lot. A couple of common characteristics are vaulted ceilings and clerestory windows on the roof. Collection by bob bowlus • last updated 11 weeks ago. The ground floor plan consists of the living room, dining, kitchen, bedroom and common bathroom. A con...
Properties Of Operations Worksheet - Commutative Property Of Addition Worksheets ... : Identity properties multiplication math worksheet with from properties of operations worksheet , image source: . The order of operations worksheets makes use of whole numbers, decimals and fractions. They start with simple problems that deal only with. Below you will find 3 category pages and below those are over 100 printable sheets. On these very basic order of operations worksheets and task cards, expressions and equations have no parenthesis and no exponents. Some mathematical operations have properties that can make them easier to work with and can actually save you time. Working with properties of mathematics worksheets these properties worksheets are great for testing students their working knowledge of the different properties of mathematics, such as the associative property, commutative property, distributive property, identity property, additive. Students work through a n...
Comments
Post a Comment