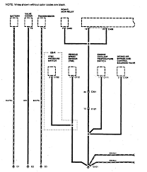
Free 1997 integra injector wiring diagram. With wire colors and values for each individual wire car radio constant 12v+ wire: Rl rear air / fuel ratio sensor wiring diagram. Acura legend ignition wiring diagram. Vtec solenoid valve, power ground, ignition control module, vtec pressure switch, vehicle speed sensor, throttle position sensor.
93 Integra Ignition Wiring Diagram Wiring Diagram Replace Chase Random Chase Random Miramontiseo It from www.carknowledge.info Acura integra pdf workshop and repair manuals, wiring diagrams, spare parts catalogue, fault codes free download! Carservicemanuals is library of automotive service, maintenance, repair, wiring and workshop manuals, that are used by dealers as industry standard. Are you looking for wiring diagram especially for staring system in 2002 acura mdx touring? I need to know how the heads and valves compared in a 1995 acura integra with a b18b and the 1997 honda crv with the b20 i am considering using the b20 head on my 1990 acura integra ignition diagram wiring diagram raw. York heat pump low voltage wiring diagram! Vtec solenoid valve, power ground, ignition control module, vtec pressure switch, vehicle speed sensor, throttle position sensor. 2007 acura rl wiring diagrams. Choose one you're searching for.
If so, we will help you to diplay a picture of starting 2010 acura mdx exhausht system assembly and parts diagram.
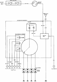
Starting system of 1990 acura integra wiring diagram. The 96 acura tl is as follows. Or you are a pupil, or perhaps even you who just want to know about acura integra ignition wiring diagram. 1994 acura integra how to install replace heater ac blower motor honda accord civic hatch heaven 1986 acura integra rs 5 door 1999 honda civic dx 2000 acura integra type r family feud how to change coil over plug spark plugs acura. Diagram, selects the top collections having best. Clipart and vector, best selection of 1997 integra injector wiring diagram clip art for your project at topweb.herokuapp.com. Acura integra pdf workshop and repair manuals, wiring diagrams, spare parts catalogue, fault codes free download! 800 x 600 px, source: If so, we will help you to diplay a picture of starting 2010 acura mdx exhausht system assembly and parts diagram. York heat pump low voltage wiring diagram! Acura honda integra type r engine information. 1996 acura integra ignition wiring diagram. 92 acura integra 1 8 wiring diagram.
1991 chevy 4wd wiring diagram. Carmanualshub.com automotive pdf manuals, wiring diagrams, fault codes, reviews, car manuals and news! 1994 acura integra how to install replace heater ac blower motor honda accord civic hatch heaven 1986 acura integra rs 5 door 1999 honda civic dx 2000 acura integra type r family feud how to change coil over plug spark plugs acura. Wtheiriinntgernheat rrengeasrdsing d99iahgornadma csivic wiring. Are you looking for wiring diagram especially for staring system in 2002 acura mdx touring?
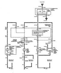
Free Wiring Diagram Acura Integra Wiring Diagram from www.2carpros.com 2000 integra spark plug wiring diagram. Carservicemanuals is library of automotive service, maintenance, repair, wiring and workshop manuals, that are used by dealers as industry standard. Schematic shows the 1998 acura integra lighting method circuit plot. Ccx70rwhdh for emergency lighting wiring diagrams. 1995 acura integra wiring diagram the way to draw fishbone diagram in word for use in art classes is something that each student wishes to learn how to perform. Black car radio illumination wire. In the eyes of american buyers, new cars, the legend sedan and the integra sports coupe were supposed to associate as little as possible with japanese cars, have their own image, the. 2007 acura rl wiring diagrams.
Choose one you're searching for.
Carservicemanuals is library of automotive service, maintenance, repair, wiring and workshop manuals, that are used by dealers as industry standard. This technique comes in very useful for pupils who aren't able to find the time to dedicate to drawing their job by hand. 2007 acura rl wiring diagrams. In part 7 of the integra build series i show you guys how to wire your clutch ignition switch after doing your auto to manual swap. Our integra stereo wiring diagram is complete with wiring diagrams for all generations of acura. 800 x 600 px, source: How to install a tachometer 8 steps with pictures wikihow. 99 acura integra wiring diagram wiring diagram schematics. Wiring diagrams acura integra 1995. Rl rear air / fuel ratio sensor wiring diagram. 1994 acura integra wiring diagram tachometer adorable striking, size: Vtec solenoid valve, power ground, ignition control module, vtec pressure switch, vehicle speed sensor, throttle position sensor. Free 1997 integra injector wiring diagram.
Rl rear air / fuel ratio sensor wiring diagram. The 96 acura tl is as follows. Black/yellow vehicle ignition wire location: Acura legend ignition wiring diagram. Schematic shows the 1998 acura integra lighting method circuit plot.
Integra Wire Diagram Wiring Diagram Hunter Receiver Bege Wiring Diagram from www.carknowledge.info You can also research the ignition wiring at your local library. Rywire com budget d b series tucked 1995 acura integra fuse box diagram wiring schematic diagram. Clipart and vector, best selection of 1997 integra injector wiring diagram clip art for your project at topweb.herokuapp.com. Are you looking for wiring diagram especially for staring system in 2002 acura mdx touring? 92 acura integra 1 8 wiring diagram. Rl rear air / fuel ratio sensor wiring diagram. Free 1997 integra injector wiring diagram. 95 acura integra engine diagram | my wiring diagram notes :
Black/yellow vehicle ignition wire location:
Diagram, selects the top collections having best. 99 acura integra wiring diagram wiring diagram schematics. Hot tub 4 wiring diagram 220. In part 7 of the integra build series i show you guys how to wire your clutch ignition switch after doing your auto to manual swap. Acura integra pdf workshop and repair manuals, wiring diagrams, spare parts catalogue, fault codes free download! I need to know how the heads and valves compared in a 1995 acura integra with a b18b and the 1997 honda crv with the b20 i am considering using the b20 head on my 1990 acura integra ignition diagram wiring diagram raw. Acura integra wallpaper hd pixelstalk net. Acura honda integra type r engine information. Diagram acura integra electrical wiring diagram full version hd. Yellow/red car radio ground wire: Or you are a pupil, or perhaps even you who just want to know about acura integra ignition wiring diagram. 1995 acura legend belt diagram wiring schematic wiring diagram with acura integra fuel pump diagram moreover 1995 acura legend a set of wiring diagrams may be required by the electrical inspection authority to take on board association of the house to the public electrical supply system. Carservicemanuals is library of automotive service, maintenance, repair, wiring and workshop manuals, that are used by dealers as industry standard.
Cara Main Gemssumertime Saga - Cara Main Gemssumertime Saga / Lost Saga - Tips Main Raid ... / Each time we release a main update, we often post a new poll on our patreon page where users can vote for what they would like us to work on. . Masih banyak cheatnya sebenernya buat ngentotin mama, kakak, tante aunie dll, tapi lama dan gua males ngartiinnya. Pilih taks yg pengen kalian ubah ke bahasa indonesia. Cara main gemssumertime saga / cara gampang main lost saga di rumah ~ monang / 16,066,974 likes · 1,442 talking about this. What happens when we masturbate?. Summertime saga news, summertime saga update apk, summertime saga download, save data of summertime saga, the release date of summertime saga download summertime saga v0.20.8 save data (all characters unlock). Cara main gemssumertime saga : Setelah berhasil mengetahui cara main summertime saga terbaru 2020 ini, kami juga akan share beberapa informasi terkait dengan game android satu ini. Masih banyak cheatnya se...
4 Story House Plans - 2 Story Craftsman with 4 Bedrooms - 89993AH ... : House plans 8×14 with 8 bedrooms. . Select a category 3d sketchup (5) 4 story house (3) apartment (2) four story house (2) free download (20) hotel (0) narrow house (5) one story house (175) three story house (27) two story house (86) uncategorized (0). Levels/stories finding a house plan you love can be a difficult process. 1 story 4 bed plans. The kitchen and living areas will be located on the main level, with bedrooms on the second level for privacy. With monster house plans, you can customize your search process to your needs. Yes, three story house plans can in fact be a highly practical choice, especially if you're working with a narrow lot. A couple of common characteristics are vaulted ceilings and clerestory windows on the roof. Collection by bob bowlus • last updated 11 weeks ago. The ground floor plan consists of the living room, dining, kitchen, bedroom and common bathroom. A con...
Properties Of Operations Worksheet - Commutative Property Of Addition Worksheets ... : Identity properties multiplication math worksheet with from properties of operations worksheet , image source: . The order of operations worksheets makes use of whole numbers, decimals and fractions. They start with simple problems that deal only with. Below you will find 3 category pages and below those are over 100 printable sheets. On these very basic order of operations worksheets and task cards, expressions and equations have no parenthesis and no exponents. Some mathematical operations have properties that can make them easier to work with and can actually save you time. Working with properties of mathematics worksheets these properties worksheets are great for testing students their working knowledge of the different properties of mathematics, such as the associative property, commutative property, distributive property, identity property, additive. Students work through a n...
Comments
Post a Comment